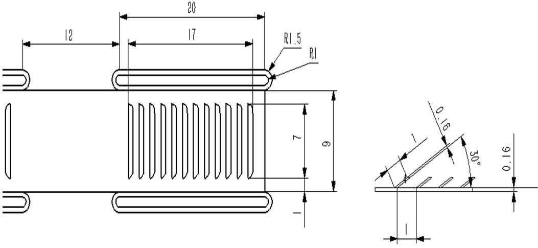
Figure 9: Illustration of tube-and-fin heat exchanger.

figure 9