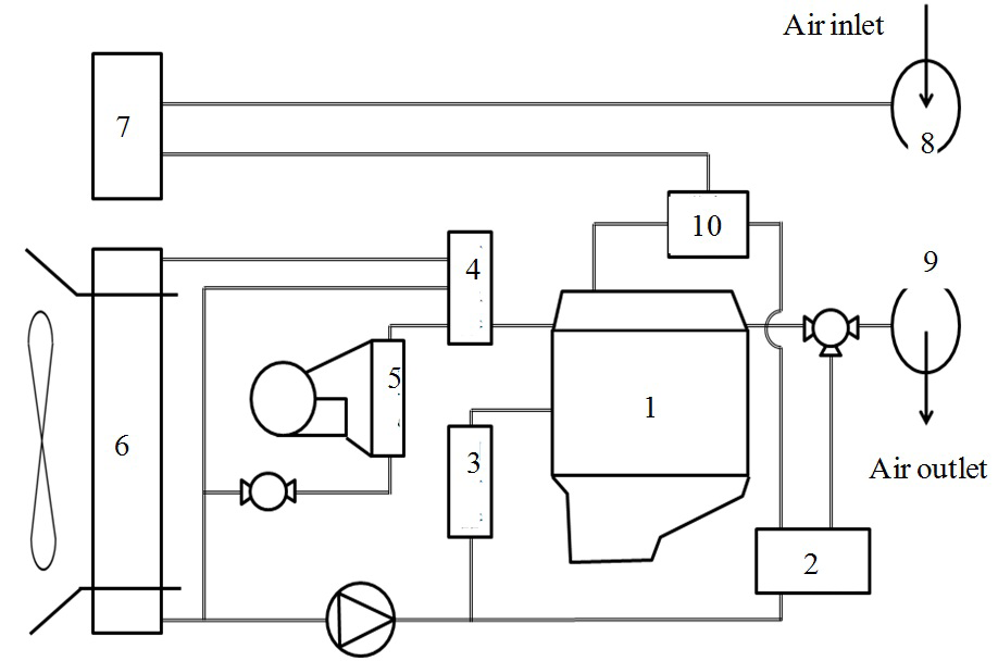
Figure 5: Schematic diagram of cooling system: 1 engine; 2 EGR cooler; 3 oil cooler; 4 thermostat; 5 air conditioner 6 heat exchangers; 7 inter cooler; 8 compressor; 9 exhaust gas turbine; 10 intake manifold.

figure 5