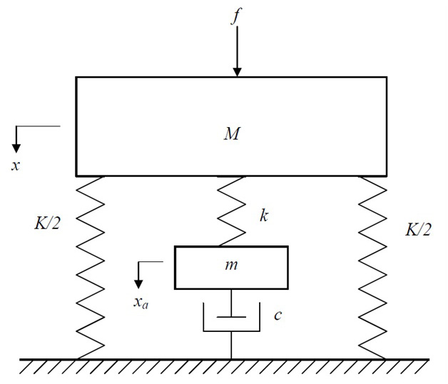
Figure 1: Schematic diagram of model A: the non-traditional dynamic vibration absorber (m-k-csystem) attached to the primary (M-K) system.

figure 1